사례 1: 산업 단지의 하수 처리
프로젝트: 1000 t/d
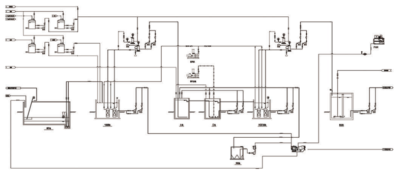
프로세스

프로젝트
막 면적 2600 ㎡, 막 크기: 250*6*1046mm, 막 물자: Al2O3, 막 기공 크기: 100nm
사례 2: 식품 산업에서 폐수 처리
프로젝트: 200 t/d
프로젝트 위치: 광동
입구 물:
높은 오일 함량, SS, 중금속 이온, COD 및 BOD, 질소, 인
프로젝트
막 면적 300 ㎡, 막 크기: 250*6*1046mm, 막 물자: Al2O3, 막 기공 크기: 100nm